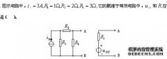
14.
A. 2.5
6.
A.
B...
1.
A.
B...
[在线考核] A. –2A,2A 日期:2022-07-25 19:54:16 点击:103 好评:0
15. A. –2A,2A B. 2A,-2A C. –2A,-2A D. 2A,2A ...
25.
A.
...
18.
A. 5V,5欧姆
B. 1.5V,1.5欧姆
C. 9/5V,6/5欧姆
D. 3/4V,1.5欧姆
...
[在线考核] 图示电路中,当开关 闭合后,电流表的读数将( )。<IMG SRC="h 日期:2022-07-25 19:50:35 点击:106 好评:0
12. 图示电路中,当开关 闭合后,电流表的读数将( )。
A. 减少
B. 增大
C. 不变
D. 不定
...
5.
A. 0
...
[在线考核] 在Y-Y平衡三相系统中,若中线阻抗ZN不为零,则会产生中性点位移电 日期:2022-07-25 19:48:30 点击:122 好评:0
40: 在Y-Y平衡三相系统中,若中线阻抗ZN不为零,则会产生中性点位移电压。 A: 对 B: 错 ...
[在线考核] 电压源与电阻串联支路等效为电流源与电阻并联支路后,两个电阻上 日期:2022-07-25 19:47:29 点击:62 好评:0
35: 电压源与电阻串联支路等效为电流源与电阻并联支路后,两个电阻上的电压和电流都保持不变。 A: 对 B: 错 ...